Воздухосборник горизонтальный РГ 500/16 с плитой (Бежецк, "АСО").
РГ 500/16 с плитой
Продажа компрессорного оборудования Бежецкого завода "АСО" со склада (СПб, Москва, Челябинск, Казань) от производителя.
Прайс-листы с ценами на воздухосборники (ресиверы) горизонтальные РГ запрашивайте в отделе компрессорного оборудования.
Горизонтальные ресиверы РГ 500/16, объемом 500 л, "АСО", Бежецк.
ЦЕНА: 91 500 руб.
ЦЕНЫ НА ГОРИЗОНТАЛЬНЫЕ РЕСИВЕРЫ РГ, "АСО", БЕЖЕЦК.
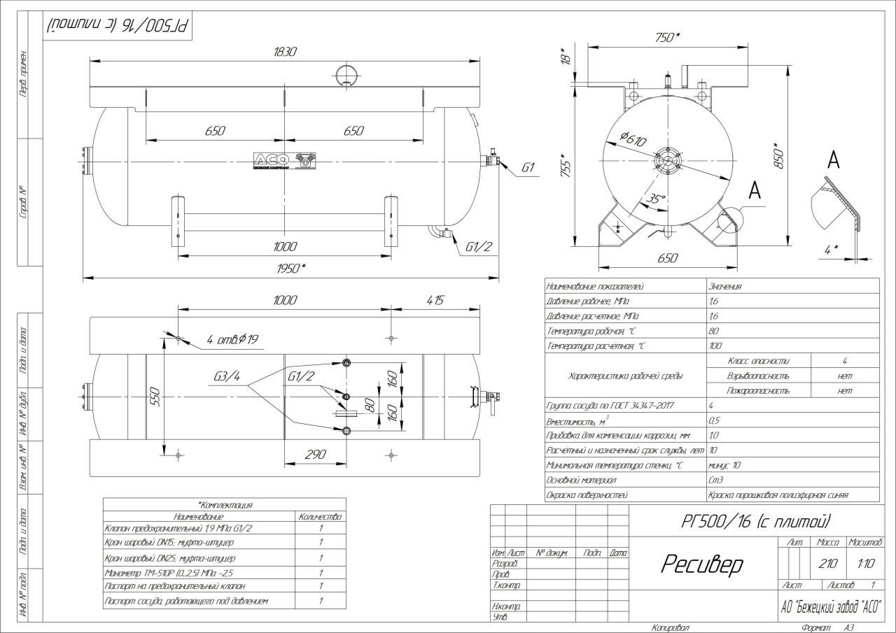
Технические характеристики РГ 500/16.
| Объем | 500 л |
| Давление | 16 атм. |
| Исполнение | Горизонтальный |
| Вход/выход, дюйм | 3/4" / 1" |
| Условия эксплуатации | от -10° до + 100°C |
| Марка стали | Ст3пс |
| Наружное покрытие, полиэфирная порошковая краска | RAL 5010 |
| толщиной стенки обечайки и днища | 5 мм |
| Габариты | 1950 х 750 х 850 мм |
| Масса | 210 кг |
| Срок службы | 10 лет |
Конструкция.
Горизонтальный ресивер с плитой — это универсальное и практичное решение, способное удовлетворить потребности большинства клиентов, занимающихся самостоятельной сборкой и монтажом компрессорных станций.
Конструкция ресивера РГ 500/16 (с плитой) разработана с учётом требований к надёжности, обслуживанию и безопасности эксплуатации. Воздухосборник обеспечивает свободный доступ ко всем основным узлам, что позволяет проводить техническое освидетельствование, плановое обслуживание и контроль состояния элементов без демонтажа оборудования. Для оперативного мониторинга давления установлен манометр, а предохранительный клапан служит дополнительной защитой при превышении рабочих параметров.
Корпус ресивера изготовлен из стали Ст3пс с учётом расчётных нагрузок и нормативов прочности. Конструкция цельносварная: цилиндрическая обечайка соединена с эллиптическими днищами, вся система установлена на прочных приваренных опорах. Наружная поверхность защищена полиэфирной порошковой краской (RAL 5010). Расчётный срок службы изделия составляет 10 лет, а допустимое число циклов нагружения — 4,9 × 10⁴. Благодаря прочной конструкции и качественным материалам, ресивер способен стабильно работать на протяжении всего заявленного эксплуатационного срока без снижения эффективности.
Монтаж и размещение.
Ресивер с плитой может устанавливаться как внутри зданий, так и на открытых площадках при условии соблюдения норм безопасности. Рекомендуется размещать оборудование в зонах, исключающих постоянное скопление людей, либо в технических помещениях, отделённых капитальными стенами от основных производственных площадей.
Допускается установка в помещениях, примыкающих к основным зданиям, а также в производственных цехах — при наличии обоснованного проектного решения, соответствующего требованиям к размещению сосудов под давлением. Важно обеспечить свободный доступ к ресиверу для осмотра, технического обслуживания и внутренней очистки.
Перед началом монтажа необходимо убедиться в наличии комплекта документации, проверить комплектность поставки и визуально оценить общее состояние изделия. Установка включает установку на подготовленный фундамент, выверку положения, подключение трубопроводов и арматуры, а также проведение пуско-наладочных работ. Особое внимание следует уделить подключению воздушной магистрали — необходимо исключить дополнительные нагрузки от веса труб и температурных расширений. Согласно требованиям ПУЭ, ресивер должен быть надёжно заземлён.
Регистрация и допуски.
Ввод в эксплуатацию не требует регистрации в органах Ростехнадзора. Это связано с тем, что изделие относится к сосудам, работающим со средой 2-й группы (согласно ТР ТС 032/2013), а произведение значений рабочего давления (в МПа) и вместимости (в м³) не превышает предельного значения 1,0, установленного п.215 ФНП.
Заказать и купить воздухосборник (ресивер воздушный) горизонтальный РГ 500/16 с плитой (Бежецк, "АСО") вы можете с отгрузкой транспортными компаниями в города: Архангельск, Владивосток, Волгоград, Воронеж, Екатеринбург, Ижевск, Иркутск, Казань, Кемерово, Краснодар, Красноярск, Москва, Нижний Новгород, Новосибирск, Омск, Оренбург, Пенза, Пермь, Ростов-на-Дону, Санкт-Петербург, Самара, Саратов, Тюмень, Уфа, Чебоксары, Челябинск, Ярославль и прочие регионы России.





